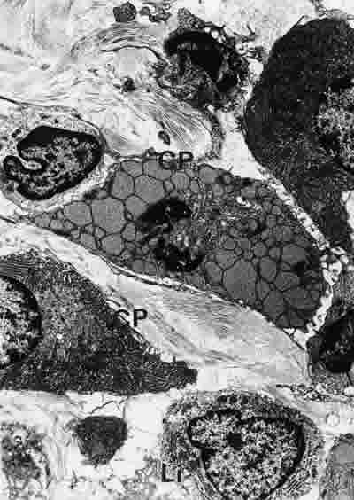
Figura 28

BIOPSIA EN UN PACIENTE CON SS1-GRADO I. SE OBSERVAN CÉLULAS PLASMÁTICAS (CP) CON GRANDES CISTERNAS DE REr MUY ELECTRODENSAS Y LINFOCITOS (Li) CON ABUNDANTES ORGÁNULOS SUBCELULARES. EL TEJIDO ES LAXO. MICROSCOPIA ELECTRÓNICA. MAGNIFICACIÓN ORIGINAL X3000.