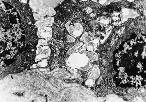
Figura 33

BIOPSIA EN UN PACIENTE CON SS1-GRADO III. LAS CÉLULAS ACINARES (A) ESTÁN MUY SEPARADAS Y ALTERADAS, CON ESCASOS ORGÁNULOS SUBCELULARES, ABUNDANTE CANTIDAD DE MATERIAL FIBRILAR (*) Y CON AUSENCIA DE GRÁNULOS DE SECRECIÓN. EL POLO BASAL DE LAS CÉLULAS ES IRREGULAR. LA MEMBRANA BASAS (FLECHA ARRIBA) ES DISCONTINUA. MICROSCOPIA ELECTRÓNICA. MAGNIFICACIÓN ORIGINAL X8000.