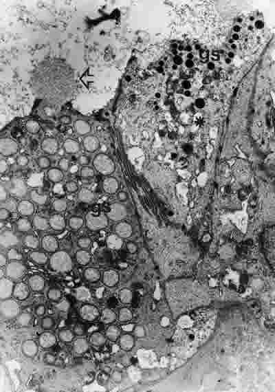
Figura 36

BIOPSIA EN UN PACIENTE CON QCS-GRADO II. LAS CÉLULAS ACINARES (A) TIENEN UN MODERADO NÚMERO DE GRÁNULOS DE SECRECIÓN (gs), QUE EXPULSAN SU CONTENIDO HACIA LA LUZ DEL ACINO (FLECHA ARRIBA). EL NÚMERO DE ORGÁNULOS SUBCELULARES HA DISMINUIDO MODERADAMENTE. MICROSCOPIA ELECTRÓNICA. MAGNIFICACIÓN ORIGINAL X4000.