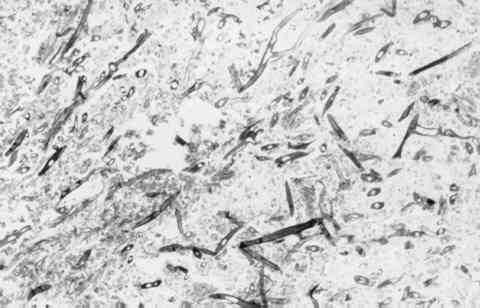
Figura 7

TINCIÓN DE GROCOTT QUE PONE DE MANIFIESTO LA EXISTENCIA DE HIFAS NO TABICADAS Y RAMIFICADAS (MAGNIFICACIÓN ORIGINAL X 100).  

[Regresar]